Paketet innehåller samtliga remmar till åkgräsklipparen Husqvarna Rider 112C - remmarna passar till årsmodeller nyare än 2021. Det är totalt fyra stycken remmar.
Paketet gäller enbart för årsmodell 2021 eller nyare. Du kan även veta att detta paketet passar genom att kontrollera produktnumret som ska vara 9671784-02.
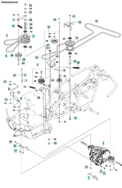
Följande drivremmar ingår i paketet:
- 5895328-01 - Nummer 32 i bild, monteras mellan motor & kraftuttag
- 5895314-01 - Nummer 50 i bild, monteras mellan mellanliggande remhjul till klippaggregat
- 5895617-01 - Nummer 4 i bild, monteras vid transmissionen
- 5895631-01 - Nummer 5 i bild, monteras mellan motor & växellåda

Italy - EUR
Denmark - DKK
Spain - EUR
Finland - EU2
France - EUR
Poland - PLN
Sweden - SEK
Germany - EUR






