Paketet innehåller samtliga remmar till åkgräsklipparen Husqvarna Rider 213C - detta paketet används för samtliga årsmodeller av Rider 213C.
Följande drivremmar ingår i paketet:
- 5895312-01 - Nummer 1 i bild, monteras mellan motor & växellåda
- 5996759-02 - Nummer 2 i bild, monteras mellan motor & mellanhjul
- 5949778-01 - Nummer 3 i bild, monteras mellan mellanliggande remhjul till klippaggregat
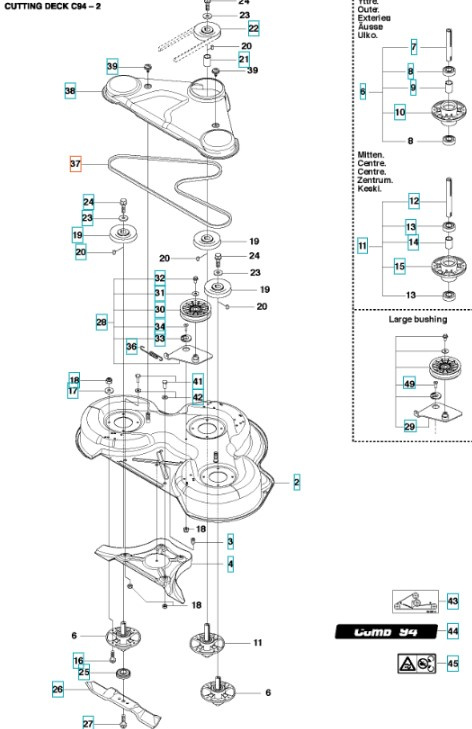
- 5895307-01 - Nummer 37 i bild(klippaggregat - bild 3), monteras på klippaggregatet

Germany - EUR
Finland - EU2
Poland - PLN
Denmark - DKK
France - EUR
Italy - EUR
Sweden - SEK
Spain - EUR







