Are you in the right place?
Select country
Denmark - DKK
Spain - EUR
France - EUR
Finland - EU2
Germany - EUR
Italy - EUR
Sweden - SEK
Poland - PLNAustria - EUR
Belgium - EUR
Bulgaria - EUR
Cyprus - EUR
Czech Republic - EUR
Estonia - EUR
Greece - EUR
Hungary - EUR
UK - GBP
Ireland - EUR
Latvia - EUR
Lithuania - EUR
Luxembourg - EUR
Malta - EUR
Netherlands - EUR
Norway - NOK
Portugal - EUR
Romania - EUR
- Rest of World - EUR
Slovakia - EUR
Slovenia - EUR
Switzerland - EUR
- Produktbeskrivning
-
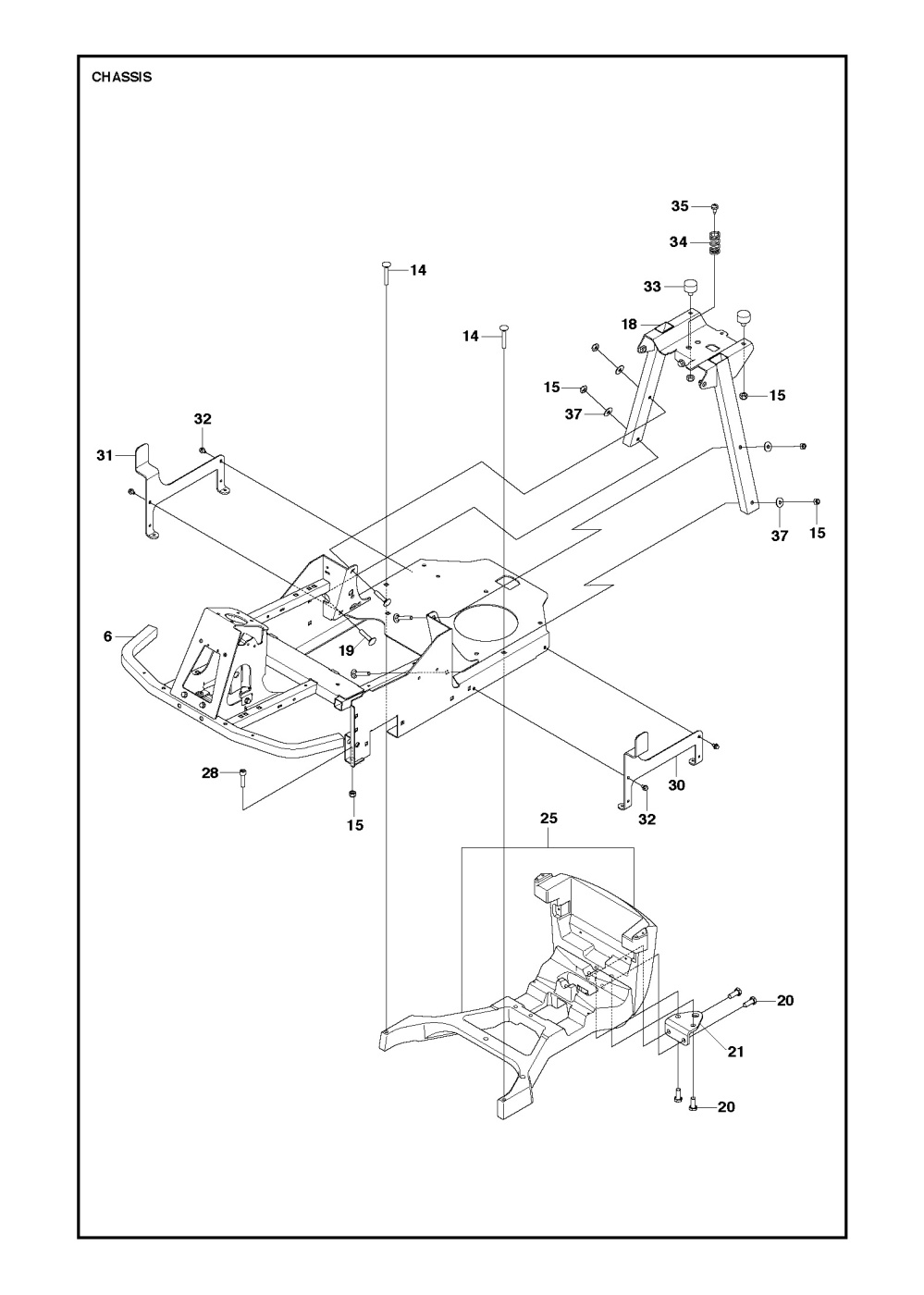
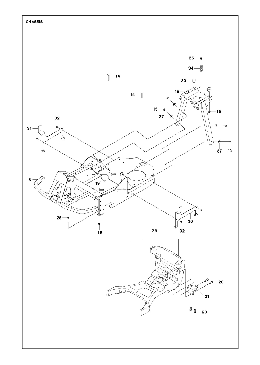
Frame Mcculloch, 5870090-01
Reservdel från Husqvarna
Passar till bl.a:
McCulloch
McCulloch M105-85F (967186801)
McCulloch M105-97F (966725501, 967206801, 967207001)
McCulloch M125-85F (967295401)
McCulloch M125-85FH (967186901)
McCulloch M125-97FH (966725601, 967206901, 967207101)
Vill du söka bland Husqvarna sprängskisser & reservdelar? Använd då vår reservdelskatalog. Tryck här för att komma till reservdelskatalogen. Tänk på att du alltid ska säkerställa att artikelnumret blir rätt med hjälp av sprängskissen för din maskin. - Specifikationer
-
Tillverkarens artikelnummer: 587 00 90-01 , 587009001 - Filer
Prishistorik
Nedan finner du prishistorik för denna produkten de senaste 30 dagarna.
Vårt lägsta pris 1-30 dagar innan sänkning: 10017 kr

Denmark - DKK
Spain - EUR
France - EUR
Finland - EU2
Germany - EUR
Italy - EUR
Sweden - SEK
Poland - PLN


