Are you in the right place?
Select country
Sweden - SEK
Germany - EUR
Finland - EU2
France - EUR
Italy - EUR
Denmark - DKK
Poland - PLN
Spain - EURAustria - EUR
Belgium - EUR
Bulgaria - EUR
Cyprus - EUR
Czech Republic - EUR
Estonia - EUR
Greece - EUR
Hungary - EUR
UK - GBP
Ireland - EUR
Latvia - EUR
Lithuania - EUR
Luxembourg - EUR
Malta - EUR
Netherlands - EUR
Norway - NOK
Portugal - EUR
Romania - EUR
- Rest of World - EUR
Slovakia - EUR
Slovenia - EUR
Switzerland - EUR
- Produktbeskrivning
-
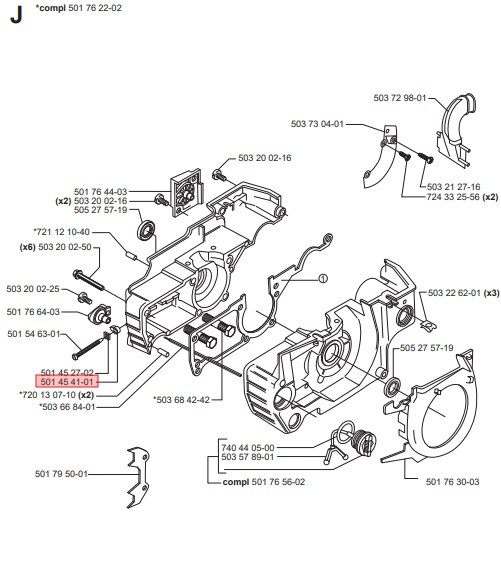
Tärning 5014541-01
Reservdel från Husqvarna
Passar till bl.a:
Husqvarna 154
Husqvarna 2071
Husqvarna 234
Husqvarna 238
Husqvarna 242XP
Husqvarna 246
Husqvarna 254
Husqvarna 257
Husqvarna 261
Husqvarna 262XP
Husqvarna 327PT5S
Husqvarna 334T
Husqvarna 335XPT
Husqvarna 336
Husqvarna 338XPT
Husqvarna 339XP
Husqvarna 340 / E
Husqvarna 340/E
Husqvarna 345
Husqvarna 350
Husqvarna 362XP
Husqvarna 371XP
Husqvarna 372XP
Husqvarna 42
Husqvarna 44
Husqvarna 444
Husqvarna 50
Husqvarna 51
Husqvarna 525PT5S
Husqvarna 55
Jonsered
Jonsered 2063
Jonsered 2141
Jonsered 2145
Jonsered 2163
Jonsered 2171
Jonsered CS2141
Jonsered CS2145
Jonsered CS2150
Jonsered CS2163
Jonsered CS2171
Vill du söka bland Husqvarna sprängskisser & reservdelar? Använd då vår reservdelskatalog. Tryck här för att komma till reservdelskatalogen. Tänk på att du alltid ska säkerställa att artikelnumret blir rätt med hjälp av sprängskissen för din maskin. - Specifikationer
-
Tillverkarens artikelnummer: 501 45 41-01 , 501454101 - Filer
Prishistorik
Nedan finner du prishistorik för denna produkten de senaste 30 dagarna.
Vårt lägsta pris 1-30 dagar innan sänkning:

Sweden - SEK
Germany - EUR
Finland - EU2
France - EUR
Italy - EUR
Denmark - DKK
Poland - PLN
Spain - EUR


